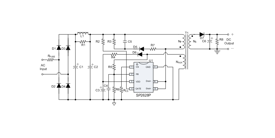
SP2628P
is a high performance offline PSR power switch for low power AC/DC charger and adapter applications.
SP2628P is a high performance offline PSR power switch for low power AC/DC charger and adapter applications. It operates in primary-side sensing and regulation. Thus, opto-coupler and TL431 are not required. In CC control, the output current and power setting can be adjusted externally by the sense resistor RCS at CS PIN. In CV control, multi-mode operations are utilized to achieve high performance and high efficiency. In addition, good load regulation is achieved by the built-in cable drop compensation. SP2628P operates in PFM in CC mode, and it operates in PWM+PFM in CV mode with frequency reduction at light/medium load. The chip consumes very low operation current. It achieves less than 50mW standby power to meet strict standby power standard.
SP2628P offers comprehensive protection coverage with auto-recovery feature including Cycle-by-Cycle current limiting, VDD over voltage protection (OVP), FB over voltage protection, FB under voltage protection, load short circuit protection, under voltage lockout (UVLO), OTP etc.
SP2628P is offered in DIP7 packages.
● High precision constant voltage and current regulation at universal AC input
● Integrated 650V MOSFET
● Primary-side sensing and regulation without TL431 and opto-coupler
● Adjustable constant current and output power setting
● Good dynamic response
● No need for control loop compensation
● Less than 50mW standby power consumption at 230V with typical application circuit
● Ultra Low start-up and low operation current
● Built-in Leading Edge Blanking(LEB)
● Programmable cable drop compensation
● Multi-mode PWM and PFM operation for efficiency improving and audio noise free operation
● DIP7 Package
● Small Power Adapter
● Cell Phone Charger
● Digital Cameras Charger
● Linear Regulator/RCC Replacement
