SP3004F
是一款用于4串鋰電池的保護芯片, SP3004F 內部集成了高精度的電壓、電流檢測電 路,能夠實現每串電池的過壓、欠壓保護,以及 整串電池的充電過流、放電過流、短路保護和充 放電的溫度保護等。
詳細介紹
文檔與工具
樣品及購買
SP3004F是一款用于4串鋰電池的保護芯片,SP3004F 內部集成了高精度的電壓、電流檢測電路,能夠實現每串電池的過壓、欠壓保護,以及整串電池的充電過流、放電過流、短路保護和充放電的溫度保護等。SP3004F 內部集成 N 型MOSFET 的驅動電路,能夠直接驅動外部 N 型充電管和放電管,既可以兼容充放電分口應用,也可以兼容充放電同口應用。
此外,SP3004F 具有極低的電流消耗,正常工作時其工作電流小于 30μA,而鋰電池欠壓保護進入休眠模式后,其消耗電流小于 1μA。
SP3004F 采用 TSSOP16 封裝。
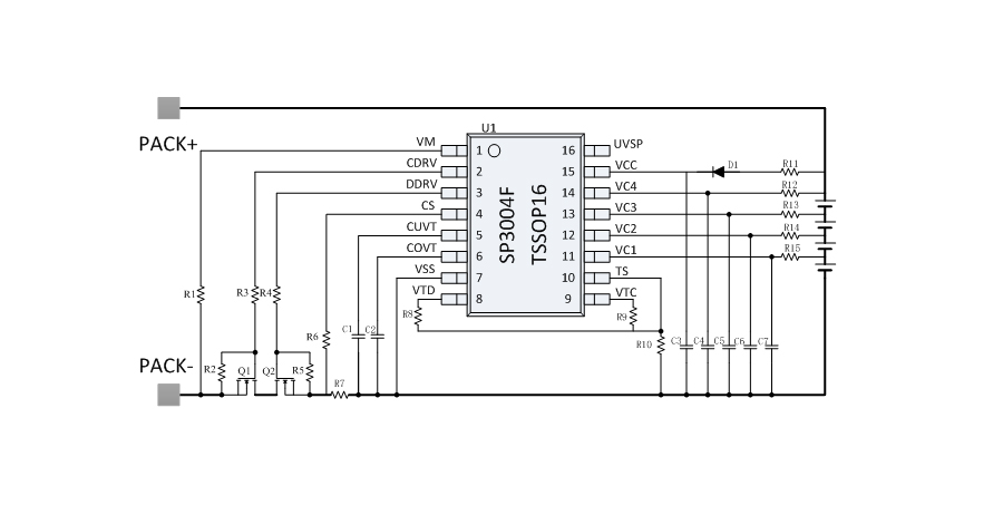
典型應用框圖
應用
● 高精度電壓檢測
過充電壓保護基準:4.25V±25mV
過充恢復電壓基準:4.10V±25mV
放電欠壓保護基準:2.70V±50mV
放電欠壓恢復基準:3.00V±50mV
● 高精度充放電電流檢測
二級充電過流基準:
第一級:-40mV±10mV
第二級:-80mV±20mV
三級放電過流
放電過流一級:100mV±10%
放電過流二級:200mV±10%
短路保護基準:500mV±10%
● 溫度保護功能
獨立可調的充電高低溫保護
獨立可調的放電高低溫保護
● 極低的消耗電流
正常工作:≤30μA
休眠模式:≤1μA
● 電動工具
● 家用無繩電器
● 大容量移動電源
● UPS 后備電池系統
樣品及購買
樣片申請
推薦產品
